Product Details

Product Condition: Brand New

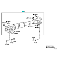
Front Drive Tail Shaft

Fit For Toyota Hilux 1GD-FTV GUN126 4 Speed Auto T/M Diesel 2005-2022

SKU 37140-0K010-SO
Barcode # 37140-0K010-SO
Brand Fred Auto Parts
Shipping Weight 15.0000kg
Shipping Width 0.200m
Shipping Height 0.200m
Shipping Length 1.650m
Shipping Cubic 0.066000000m3

Related products

More From This Category